儀器: BI-DNDCBI-MwA
引言
凝膠滲透色譜(GPC)與靜態光散射(SLS)相結合,是一種相當先進且強大的技術,能夠無需依賴傳統的柱校準即可得到絕對分子量值。在 GPC-SLS 技術中,定量評估的是信號強度而不是洗脫時間。此外,與聚合物標準校準不同,要準確解讀光散射信號,需要知道樣品的準確濃度、進樣體積及準確質量等信息。
目標
定量展示進樣量對通過 GPC-LS 測量分子量的影響。進樣量同時受樣品濃度和進樣體積誤差的影響。
1) 在標準校準中,使用多個聚合物標準樣品對 GPC 儀器進行校準,并構建校準曲線。通過觀察未知樣品的洗脫體積并使用校準曲線,可以獲得未知樣品的分子量。值得注意的是,只要校準所用的標準樣品的實際濃度和進樣體積不導致形成假峰,其具體數值并不重要。
2) 在通用校準中,使用具有已知分子量的多個聚合物標準樣品對GPC儀器進行校準。通過繪制已知分子量乘以標準樣品特性粘數的對數作為洗脫體積的函數,來構建色譜柱的校準曲線。通過觀察未知樣品的洗脫體積與特性粘數的乘積,并使用校準曲線,可以獲得未知樣品的分子量。
3) 在 GPC-SLS 中,定量評估的是信號強度而不是洗脫時間。與標準校準不同,為準確解讀光散射信號,需要知道樣品的準確濃度和進樣體積等信息,也就意味著要準確掌握進樣量。
如果定量環體積設置錯誤,實際進樣體積可能存在顯著誤差。同時,實際進樣濃度也可能因制樣不夠細心而發生變化。幸運的是,一旦意識到這些問題,兩者都很容易解決,從而提升系統性能。本文討論了這種敏感性的程度及其對分子量測量的影響。
實驗
| 流動相: | 四氫呋喃 |
| 脫氣機: | 安捷倫 G1379A |
| 泵: | 安捷倫 G1310A 等度泵 |
| 流速: | 1 mL/min |
| 自動進樣器: | 安捷倫 G1313A |
| 進樣體積: | 100 μL |
| 色譜柱: | PSS SDV EasyValid 與 PSS SDV 500 A |
| 紫外檢測器: | 安捷倫 G1314A(波長 280 nm米) |
| 光散射檢測器: | BI-MwA 多角度激光光散射儀 |
| 示差檢測器: | BI-DNDC 示差檢測器(波長 620 nm) |
分析方式
對所得數據有三種分析方式,可根據樣品的已知信息進行選擇。對于未知樣品,可能有兩個已知參數:進樣量和樣品的 dn/dc 值。以下列出三種可能的情況:
| 進樣量(進樣濃度 × 進樣體積) | 折光指數增量,dn/dc |
| 已知 | 已知 |
| 已知 | 未知 |
| 未知 | 已知 |
光散射計算
計算分子量(及 SLS 校準)時通常通過 Zimm 方程對光散射數據進行分析:

其中,K 為德拜常數,是聚合物/溶劑體系的一個常數。對于垂直偏振的光,

其中 n 為溶劑折光率,N 為阿伏伽德羅常數,λ 為激光波長。c 為聚合物濃度,在制備樣品溶液時精確確定,ΔR 表示溶液的散射光強與純溶劑散射光強的差值,可通過實驗測量。為了得到分子量,必須知道色譜圖中每一部分的 dn/dc 值和濃度。
示例計算
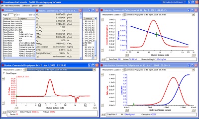
以下展示了進樣體積變化的影響示例。數據使用 ParSEC 軟件采集,并以三種方式進行分析。第一種是將進樣體積設置為比實際值低 1%;第二種是使用正確的進樣體積(與校準所用相同),即100 μL;第三種是將進樣體積設置為比實際值高 1%,即101 μL。分析在已知濃度但 dn/dc 值未知的情況下進行。從分析結果來看,得到的分子量也變化了約 1%,這說明了進樣體積變化的影響。
不確定度計算結果

結果與討論


| 標稱進樣體積(μL) | MW (g/mol) | Mn (g/mol) | 多分散性 (MW/Mn | 備注 |
| 99 | 313,200 | 108,600 | 2.89 | |
| 100 | 316,600 | 109,700 | 2.89 | 正確進樣體積 |
| 101 | 319,900 | 110,800 | 2.89 |
結論
可重復的進樣量對于 GPC-LS 技術的成功應用至關重要。
分析方法選擇
如果進樣器的重復性不優于 2%,最好選擇已知 dn/dc 值但未知進樣量(濃度和進樣體積)的分析方法,其他選擇則不適用。
進樣器性能指標
在分析 dn/dc 值未知的樣品時(這是最常見的情況),進樣器的重復性應優于 1%。這一指標很容易達到。
樣品濃度性能指標
在分析 dn/dc 值未知的樣品時(這是最常見的情況),樣品濃度的準確度應優于 1%。這一指標也很容易達到。
